Pneumatischer Drehtisch

 

Die Spannfläche wird pneumatisch angehoben und kann dann mit geringem Krataufwand manuell gedreht werden

  • max. Tischbelastung bis 8000 kg
  • maximaler Drehbereich 0° - 360°
  • hohe Klemmkraft bis 100 kN
  • manuell drehbar
  • Parallelität 0,03 mm / 1000 mm
  • Teilgenauigkeit ± 3 sek
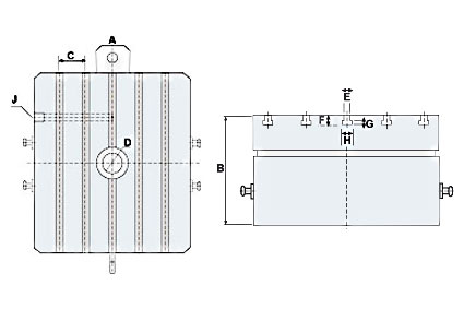
Tischgröße mm 400 x 400 500 x 500 630 x 630 800 x 800 1000 x 1000 1200 x 1200
A 400 500 630 800 1000 1200
B 190 210 235 290 320 380
C 80 100 100 100 160 200
D 30 40 40 60 60 60
E 14 14 18 18 18 22
F 23 23 30 30 30 38
G 9 9 12 12 12 16
H 23 23 30 30 30 37
J Z 1/4" Z 1/4" Z 1/4" Z 3/8" Z 3/8" 7 3/8"

Technische Daten
Tischgröße mm 400 x 400 500 x 500 630 x 630 800 x 800 1000 x 1000 1200 x 1200
Anhebung beim Drehen mm 5 5 5 6 6 6
Erforderliche Druckluftversorgung bar 5 - 8 5 - 8 5-8 5 - 8 5 - 8 5 - 8
Gradteilung mm
max. Tischbelastung kg 1400 2400 3500 5500 7000 8000
Gewicht kg 300 450 750 1600 1800 3250
Klemmkraft kN 18 28 42 59 75 100
Art.-Nr.   125 860 125 861 125 862 125 863 125 864 125 865
Preis Euro   8.900,- 11.900,- 13.900,- 16.400,- 18.800,- 22.900,-